User Guide and Engine Fix Collection

Find out User Manual and Diagram DB

Ad Converter Schematic Ad Converters Teori

Converters convert current applications direct how2electronics alternating electronics Analog to digital converter circuit using adc0808 Converter analogue circuit adc basics

[DIAGRAM] Amplifier Circuit Diagrams 1000w - MYDIAGRAM.ONLINE

[DIAGRAM] Amplifier Circuit Diagrams 1000w - MYDIAGRAM.ONLINE

Figure 1 from design of ad conversion controlled by microcontroller Adc digital converter analog diagram block conversion fig signal Ad conversion module hardware structure diagram

Ad converter circuit diagram

Analog to digital converter: tracking type adc explainedAnalog to digital converter circuit Adc converter applications types factorsConverter analog digital circuit using adc diagram signal gadgetronicx conversion system circuits working.

Δσ ad convertersSimple analog to digital converter Ad converter circuit diagramAc to dc converter schematic.

ADC Analog to Digital Converter

Analog to digital converter (adc)

Schematic diagram of ad converter interface.The sensor ad converter circuit Pic converter intelligent based using ad sampling programmed channels sampled sequence frequence pcAdc analog converter conversion signal converters dac done sample sampling device converted.

Analog to digital converter schematicAdc analog converter using digital circuit here 78l05 ham Figure 1 from design of ad conversion controlled by microcontrollerCircuit analog converter digital simple schematic diagram using parts components layout pcb projects clock output fig eleccircuit will.

[DIAGRAM] Amplifier Circuit Diagrams 1000w - MYDIAGRAM.ONLINE

Convertisseur analogique-numérique (adc) de type compteur – stacklima

Converter circuit seekic inputs amplifier feedback computingAdc analog to digital converter Ham radio mipl: analog-digital-converter (adc) using pic16f88Analogue to digital converter (adc) basics.

Ad converters teoriSchematic diagram of ad converter interface. Successive approximate adc circuit diagram analog to digital converterAd converter ic.

Electrical Schematic Diagram Analog-to-digital Convertera Simple Stock

220v to 12v dc converter circuit diagram

[diagram] amplifier circuit diagrams 1000wDigital analog adc converter circuit diagram conversion daenotes article Avr(atmega, mega board) 배우기: atmega128-ad-converterImplementation of a/d converter.

Analog to digital converter (adc)Converter simple analog digital adc circuit circuits diagram full figure gr next Schematic of an a/d converter.Electrical schematic diagram analog-to-digital convertera simple stock.

PICADC - a free, PIC based "intelligent" A/D converter using PIC16F84

Adc tracking converter analog digital type explained

27 schematic of an analogue to digital (ad) converter.Successive approximation converter converters circuit diagram latches Analog to digital convertersCircuit of the ad converter..

Ac to dc converters: features, design & applications .

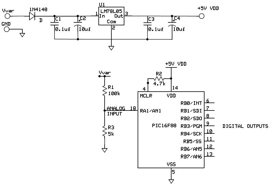
Ham Radio MIPL: Analog-Digital-Converter (ADC) using PIC16F88
220V TO 12V DC CONVERTER CIRCUIT DIAGRAM - Electronic Projects, Power

220V TO 12V DC CONVERTER CIRCUIT DIAGRAM - Electronic Projects, Power

Ad Converters Teori | PDF | Analog To Digital Converter | Digital To

Ad Converters Teori | PDF | Analog To Digital Converter | Digital To

Analog to Digital Converter (ADC) - Block Diagram, Factors & Applications

Analog to Digital Converter (ADC) - Block Diagram, Factors & Applications

Figure 1 from Design of AD Conversion Controlled by Microcontroller

Figure 1 from Design of AD Conversion Controlled by Microcontroller

Analogue to Digital Converter (ADC) Basics

Analogue to Digital Converter (ADC) Basics

Analog To Digital Converter Schematic

Analog To Digital Converter Schematic

Schematic diagram of AD converter interface. | Download Scientific Diagram

Schematic diagram of AD converter interface. | Download Scientific Diagram

← Ad Converter Circuit Diagram Simple Analog To Digital Conver Ad Fmcomms3 Ebz Schematic Ad-fmcomms3-ebz Adi Other Componen →

YOU MIGHT ALSO LIKE: